深圳名海鑫科技有限公司
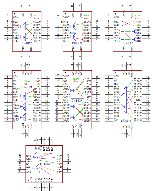
1.概述 CH482D、CH483M、CH483X、CH484M、CH481D、CH486F 是基于 RF 工艺的差分高速信号双向模拟开 关芯片,高带宽,低导通电阻。 CH482D 包含 2 路差分超高速信号二选一模拟开关,合计 QPDT,可以用于 USB 3.0 Super Speed、 ...
名海鑫科技专注于国产电子元器件分销领域,为客户供类型广泛的逻辑芯片,具有功耗低、宽工作电压等特点。可应用于消费电子、医疗电子、工业控制、安防通信等领域 。类型型号应用小逻辑RS1G00、RS2G00、RS4G00、RS1G07、RS2G07、RS6G07、RS1G08、RS2G08、RS4G08、RS1G...
名海鑫科技专注于国产电子元器件分销领域,为客户提供类型广泛的电平转换芯片。具有驱动能力强、高性能、小封装等特点,用于多种通信接口,兼容推挽输出和开漏输出架构。类型型号应用电平转换器RS0101、RS0102、RS0104、RS0108、RS0204、RS0208用于I2C,UART,SPI,I2S,总线接口,...
名海鑫科技专注于国产电子元器件分销领域,为客户提供包含多种信号范围的模拟开关,具有低导通阻抗、高速、小封装等特点,可应用于医疗电子、工业控制、安防通信等领域。类型型号应用领域模拟开关通用RS2101、RS2102、RS2103、RS2105、RS2057、RS2058、RS2099、RS2117、RS211...
名海鑫科技专注于国产电子元器件分销领域,为客户提供类型广泛的运算放大器和比较器。具有高精度、高速度、低噪声等特点,应用于医疗电子、工业控制、智能家居等领域。类型型号应用运算放大器精密运算放大器RS8511、RS8512、RS8514、RS8521、RS8522、RS8524、RS8538、RS8539、R...
PartNumber / VOUT(V) / PackageRS3219: 1.2,1.5,1.8,2.5,2.6,2.8,2.85,3.0,3.3,Adj / SOT23-3,SOT23-5,SC70-5RS3221:0.8,1.0,1.2
在降噪耳机、音箱、KVM、矩阵、调音台等产品上,常常需要对多路的音频信号进行处理,每一路音频信号都设计一组调理单元成本会非常高昂,电路也会非常庞杂。而用模拟开关做分时切换复用,显然是非常便捷的设计思路。RS2118是双通道单刀双掷(SPDT)模拟开关
Copyright © 2011-2021 深圳名海鑫科技有限公司 粤ICP备2020115087号-1